Molimo unesite svoje kontaktne podatke i dodatnu poruku.
SM102 je fitness sprava za jačanje leđnih mišića i ruku kroz povlačni pokret u stabilnom sjedećem položaju. Omogućuje pravilno držanje tijela tijekom vježbanja.
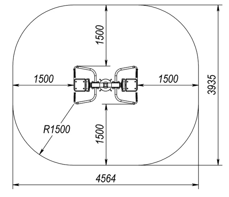
Tehnički crteži u AutoCAD formatu
Dokumentacijska datoteka u PDF formatu
Molimo unesite vašu e-mail adresu za dobivanje linka za preuzimanje.