Molimo unesite svoje kontaktne podatke i dodatnu poruku.
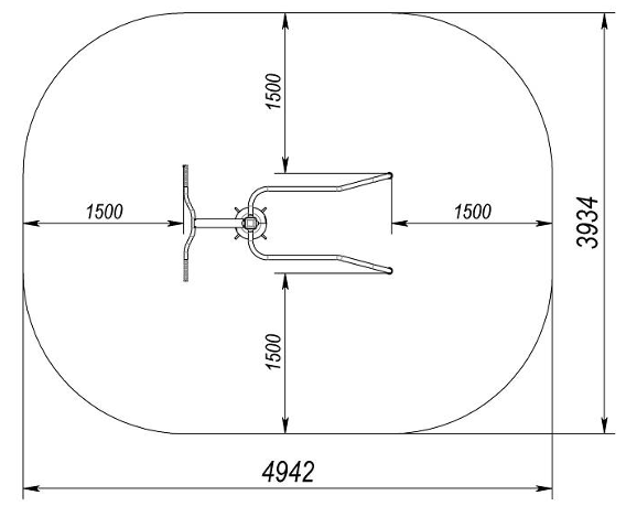
SM105-117
SM105–117-I je inkluzivna fitness sprava koja omogućuje vježbanje gornjeg dijela tijela, prilagođena i korisnicima invalidskih kolica. Dizajnirana je za sigurno i pristupačno korištenje na vanjskim prostorima.