Molimo unesite svoje kontaktne podatke i dodatnu poruku.
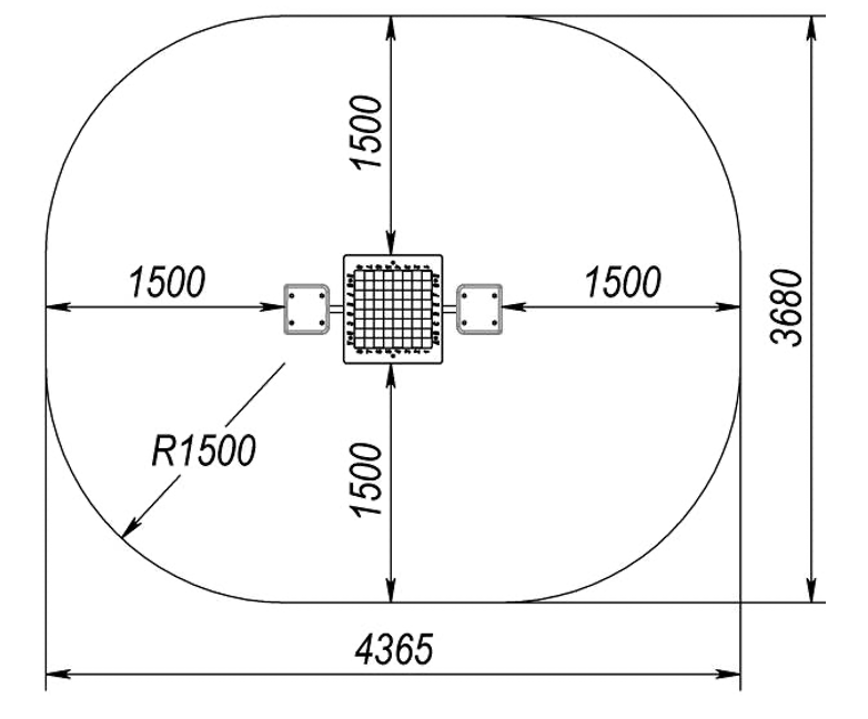
SM120 je višenamjenski element za društvene aktivnosti na otvorenom koji potiče socijalnu interakciju i mentalnu aktivnost korisnika.
Tehnički crteži u AutoCAD formatu
Dokumentacijska datoteka u PDF formatu
Molimo unesite vašu e-mail adresu za dobivanje linka za preuzimanje.