Molimo unesite svoje kontaktne podatke i dodatnu poruku.
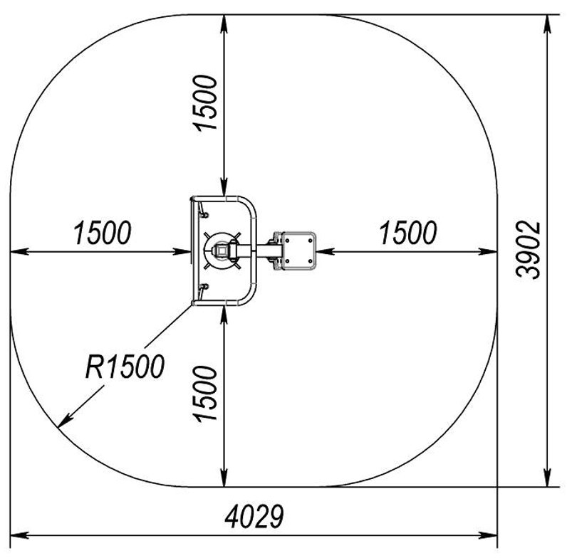
SM131 je fitness sprava za jačanje stražnje lože i stabilizaciju donjeg dijela tijela, namijenjena individualnom korištenju na otvorenom.
Tehnički crteži u AutoCAD formatu
Dokumentacijska datoteka u PDF formatu
Molimo unesite vašu e-mail adresu za dobivanje linka za preuzimanje.