


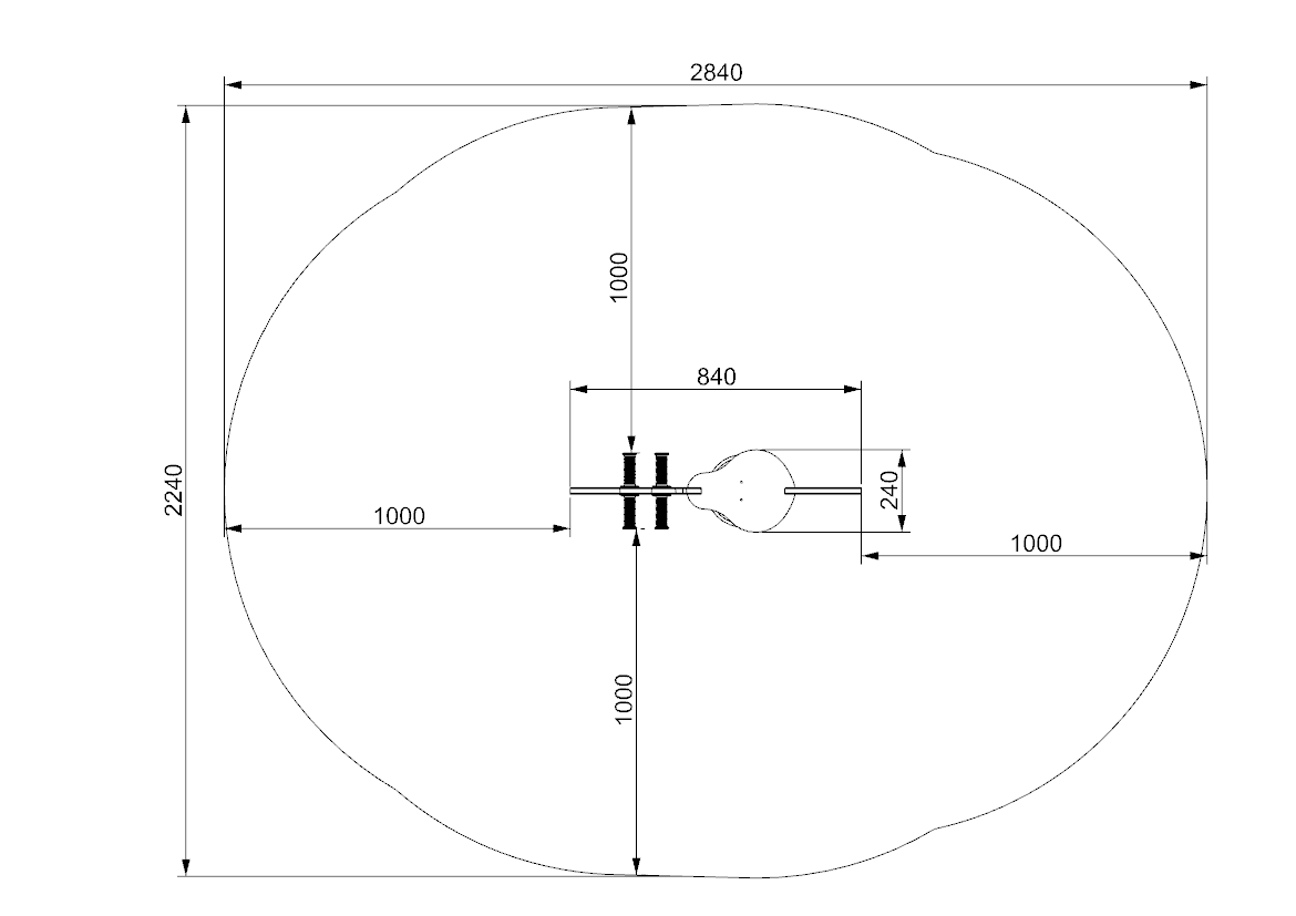
A301 – OPRUŽNA LJULJAČKA KONJIĆ je opružna ljuljačka u obliku konjića namijenjena manjoj djeci, koja kroz ljuljanje potiče razvoj ravnoteže, koordinacije i motorike. Čvrsta opruga i izdržljiva HDPE plastika osiguravaju stabilnost, sigurnost i dugotrajnu vanjsku upotrebu.