Molimo unesite svoje kontaktne podatke i dodatnu poruku.
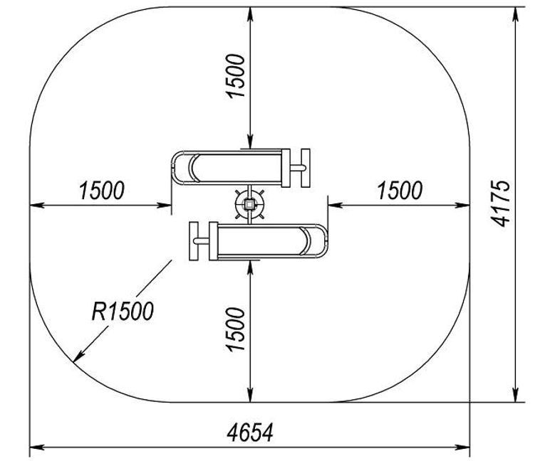
SM109 je jednostavna fitness klupa namijenjena raznim vježbama snage i istezanja na otvorenom. Stabilna konstrukcija osigurava sigurno korištenje u javnim fitness zonama.
Tehnički crteži u AutoCAD formatu
Dokumentacijska datoteka u PDF formatu
Molimo unesite vašu e-mail adresu za dobivanje linka za preuzimanje.