Molimo unesite svoje kontaktne podatke i dodatnu poruku.
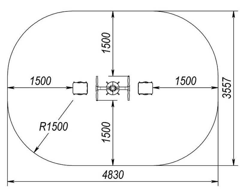
SM114 je fitness sprava namijenjena vježbama rotacije trupa i jačanju trbušnih mišića. Idealna je za poboljšanje pokretljivosti i koordinacije tijela.
Tehnički crteži u AutoCAD formatu
Dokumentacijska datoteka u PDF formatu
Molimo unesite vašu e-mail adresu za dobivanje linka za preuzimanje.