Molimo unesite svoje kontaktne podatke i dodatnu poruku.
SM116 je sprava za kardiovaskularni trening koja omogućuje istovremeni rad gornjeg i donjeg dijela tijela uz minimalno opterećenje zglobova.
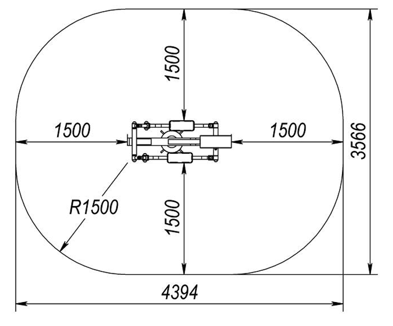
Tehnički crteži u AutoCAD formatu
Dokumentacijska datoteka u PDF formatu
Molimo unesite vašu e-mail adresu za dobivanje linka za preuzimanje.